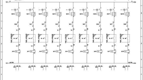
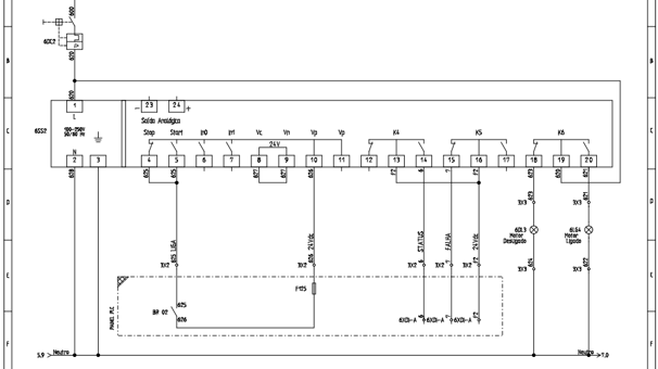
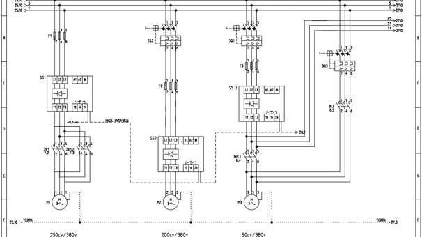
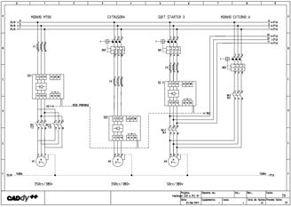
Diagrama Elétrico
Também oferecemos serviços de desenvolvimento de diagramas elétricos, assegurando que todos os aspectos de sua automação estejam bem documentados e organizados.






ADAPTA AUTOMAÇÃO
contato@adaptaautomacao.com.br
+55 41 995 377 927
Guarapuava - PR
Brasil
© 2024. All rights reserved.


